3.3 Data acquisition

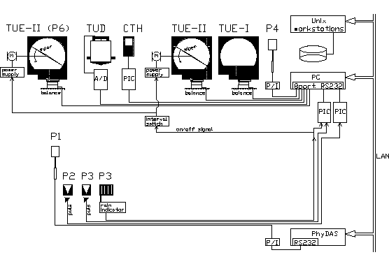
The whole data acquisition system is depicted in figure 3.19. The data of the anemometer above the roof of the Auditorium is registered by PhyDAS, a high-performance data acquisition system (d.a.s.) developed at the faculty of Physics of the TUE. At the time of installation for the study of [Geurts 1997] such a system was needed to handle large data flows. For the present study such a d.a.s. is not strictly needed. Therefore, the data of all the other instruments are registered by a personal computer (486DX66, Windows 95). It has been equipped with a special card which enables data transmission via 8 ports according to the RS232 standard. Most applied instruments can communicate via RS232; if not (like for the tipping-bucket rain gauges), an interface was built to enable the reading of the instrument via RS232. Data were logged by `polling': this means that after every time interval the PC `asks' for the reading of an instrument. The readings are directly logged, so that the polling rate equals the sampling rate. The sampling rates for every instrument are listed in tables 3.2 and 3.3.

Figure 3.19: Data acquisition systems. The abbreviations appear in the text, except for PIC, A/D and P/I, which are interfaces.
\begin{center}%
\includegraphics[angle=90,width=\linewidth]{h-site/eps/da-system.plt}
 \end{center}

The time of the clocks of the PhyDAS and the PC is the local winter time. This means that the logged time equals UTC + 1 hour, and that the extra hour for daylight saving during summer is not applied. The computer clocks are manually adjusted to the time with a precision of 1 to 6 seconds. Important is that the clocks of the two computers are synchronised. Given our application, a larger precision is not needed.

All data of the PhyDAS and PC are collected and stored on hard disks of Unix workstations. Backups are stored on tape and cd-rom. Data processing and analysis are done on Unix workstations, with help of basic Unix commands and the Matlab package.

© 2002 Fabien J.R. van Mook
ISBN 90-6814-569-X
Published as issue 69 in the Bouwstenen series of the Faculty of Architecture, Planning and Building of the Eindhoven University of Technology.